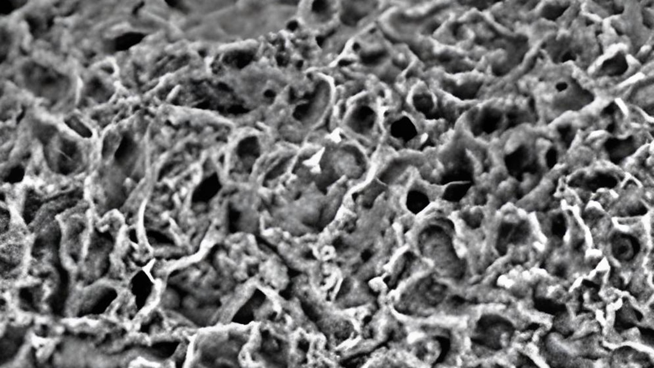
Gli scienziati dell’Università della California Riverside hanno sviluppato BIPORES, un materiale completamente sintetico basato su PEG capace di supportare la crescita di cellule neurali e la formazione di connessioni attive. È stabile, altamente poroso e…

Cervello umano completamente sintetico: è la fine dei test sugli animali?
Per saperne di più

